When I set out on this project, I set out to solve the problem of the human body wasting energy. Specifically, as we walk, we press all of our weight into the bottom of our shoes, but that weight simply dissipates and doesn’t generate anything. I set out to find a way to turn this wasted energy into some form of electricity, which can then be used in many different applications.
This product can be applicable to a multitude of clients in different areas of the shoe industry. Eco-Conscious Consumers would buy this for the clean electricity, Military personnel could use this as a self sufficient power source while on extended missions in areas without electricity, Hikers and Out-door enthusiasts could use this to power stuff in remote areas. To design and finish a working prototype of this project, I anticipated it would take around two months, and in reality it did take this long. However, I had to scramble at the end of the timeframe to create a new prototype, as my original one was not working. Based on that, if I had started with my second prototype design I would likely have been able to complete it in roughly a month.
In order to know what I am trying to solve, I created a Problem Definition Statement.
Problem Definition Statement:
Modern shoes do not harvest energy from walking or running, even though this movement could power small electronic devices. Big brands like Nike and Adidas haven’t adopted piezoelectric soles, raising questions about the feasibility of this technology. This project aims to test two different piezoelectric sole patterns to determine their efficiency and investigate why this technology is not widely implemented.
In order to have success, I will need to have created Shoes that Generate Electricity and measure the efficiency and determine whether the technology is feasible to implement on shoes on a wide scale.
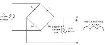
In Terms of the prototypes I plan on creating, Across both of them, I used Piezo Electric Discs to create electricity. Piezo electric discs generate electricity when you press down on them, making them perfect to fit in the bottom of shoes where lots of weight is pressed. For one of the prototypes I would test with Piezo in the heel and toe box, and the other one I would use the Piezo under the center of the shoe or the “bridge of the foot.” In terms of the electrics of the shoes, both would be identical. From the piezo, the electricity goes to rectifier to turn the AC into DC, then into a diode to charge up enough electricity to charge the battery pack.
Circuit Diagram:

My first prototype, was created using a primarily solder based design to connect the wires and electrics together. This prototype was pretty challenging to make, as I had no prior experience to soldering. I found that it is a fairly simple skill to learn, but challenging to master and do well. Likely due to my lack of experience, I was unfortunately unable to make it work. Another challenge I found with soldering, is if you make a mistake it is quite challenging to fix it as you need to unsolder it and re solder it which is very time consuming. In the future, a solder design is better for a second prototype when I know for sure that my prototype works. Ultimately, this prototype was unable to generate enough voltage to charge a power bank as I had planned, nor was I really able to check if I had generated any electricity at all.
First Prototype:

For my second prototype, I ditched the solder design and went for a solder free design which allowed me to test my prototype much easier. Instead of the solder, I used a breadboard and jumper wires to connect everything together. In this prototype, I only fitted two Piezo in the heel for times sake, however on a final prototype I could fit up to 10-12 for maximum power output. While I was building this prototype, another problem came up. In order to charge a power bank like I had originally intended, I would at least 5V, which the piezo could not generate. I then acquired some rechargeable Double A batteries, which require less voltage to charge. With the rechargeable Double A batteries and breadboard with jumper cables, I was able to create a working shoe that generates electricity.
Prototype 2:

In order to build a similar shoe to my working prototype, you will need to learn about circuits, as it is very easy to mess up and wire something wrong. Wiring something wrong can result in short circuiting which can damage and fry your components. Besides that, being crafty also helps as attaching the electrics to the shoe is a bit challenging to ensure they all work. The cost of my prototype is approximately $200 to build it with the materials listed below.
Shoes: Free-$100 (You can use old ones you have laying around.)
Breadboard: $10
Diodes: $10
Capacitor: $15
Rechargeable Batteries: $20
Battery Recharging case: $15
Testing and Validation
Why do you think that your solution will be successful? What evidence do you have? If you tested the prototype, how did you do this and what did the test look like?
While measuring the voltage of the battery, and pressing into the piezo in the shoe, the charge on the battery increased by approximately 0.001 volts every ten seconds. While the power generated was small, the test demonstrated that the system works. With more piezo discs and better placement, I believe the voltage and current could be scaled up for more practical uses. The main takeaway from testing is that the technology works and just needs optimization.
There are a few ethical considerations in this project. First, the concept of harvesting energy from human motion is generally positive and eco-friendly, but the materials used to build the system must be sourced responsibly. For example, piezoelectric discs and batteries often contain rare-earth or toxic materials. If this technology were scaled up, ensuring ethical and sustainable sourcing would be essential. Another consideration is privacy and consent. If these shoes were to be used in industries like the military or fitness tracking, companies might try to use motion data for surveillance or behavior tracking. Ethical implementation should include transparency and user control over their own data. Finally, we must think about unintended uses. If people believe they can generate power indefinitely just by walking, they might overestimate the system’s actual capability. Being honest about power output and limitations is important in avoiding false expectations.
This project set out to explore whether energy wasted from walking could be captured and reused using piezoelectric materials. The answer is yes. This energy can be harvested, but the process is still inefficient with current materials and design limitations.
My second prototype successfully demonstrated the concept using a simple, solder-free design. For the next version, I would recommend:
- Adding more piezo discs in better pressure points like the heel, toe, and bridge
- Creating a custom printed circuit board instead of using a breadboard
- Exploring ultra-low voltage devices that could run on the output generated from walking
With more research and development, I believe piezoelectric shoes could become a real-world product, especially for niche users like hikers, soldiers, or people in remote areas.
References:
Haynes, A. (n.d.). Piezoelectric shoes: Charge your mobile device by walking in. Instructables. https://www.instructables.com/Piezoelectric-Shoes-Charge-Your-Mobile-Device-by-W/
Sanderson, K. (2011, August 23). Power walk: Shoe inserts using conductive droplets could charge personal electronics on the go. Scientific American. https://www.scientificamerican.com/article/power-walk-shoe-inserts-power-electronics/
Wang, J., Yamada, Y., & Doi, S. (2024). Battery less BLE module with a piezoelectric element mounted on a shoe sole. Sensors, 24(9), 2829. https://doi.org/10.3390/s24092829
Leave a Reply